Tell a friend or a colleague:
Please tell a friend or a colleague about this website. Click this link to fill out email...
Send us your feedback:
We always strive to improve our users' experience. Please email us your feedback...

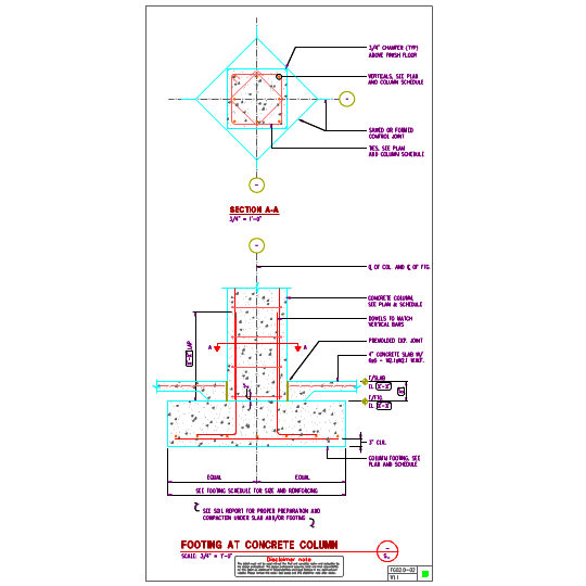
FG02.0 - Concrete Column Footings Details

21 April, 2026

Access Details > Free Drawings Fast Express Checkout Full Membership

Details Vertical Matrix > Material & Type > General Foundation Details


FG02.0 - Concrete Column Footings Details

More information about Concrete Column Footings ... Concrete Column Footings Details:

AutoCAD reinforced concrete column footings details at foundation level.


$12.00 Price for entire set of DWG shown below.

FG02.0-01


Block Details

FG02.0-02


Block Details

FG02.0-03


Block Details

Related and Similar Details:

General Foundation Details:

Column footings:

Column Piers:

Step Footings:

Stairs and Ramps:

Dock Walls:

Elevator and Pit Wall Details:

Slab - Curbs Drains and Recesses:

Slab On Grade Details:


Show me all General Foundation Details Table...

View all available details for general foundations such as dock walls, elevator pits, stepped footings, curb details, etc... Table shows specific detail names and numbers for structural members in addition to last update. View Now


More Useful Links:

samples zip download See Free Samples zip Downloads page for quick download.

Show me all CAD Structural Library Main Divisions Table...

View CAD Structural Details Vertical Matrix...

Show me all Free CAD Structural Samples Table...

access options View All Details Access Options! Free Drawings Fast Express Checkout Full Membership



^ Back to top